This is a 31.2 inch eink epaper display with 1280x720 resolution, 16 Gray level, Parallel interface, and the display is capable to display images with 4096 colors depending on the display controller and the associated waveform file it used. Your image holds indefinitely without power – put up your image, then shut down the power. This e-paper is perfect for low power devices powered by solar or batteries.
Due to the advantages like ultra low power consumption, wide viewing angle, clear display without electricity, this 31.2 inch e-paper display GDEP312TT2-C is an ideal choice for applications such as ad board, bus station board and so on.
We could provide Front light, Touch screen and other accessories for you.
Relevant manual about this product on our official website (www.good-display.com), contact us please.
● 16 Gray level
● 7-Color electronic paper display
● Versatile. Use in portrait or landscape format
● Bistable. (Will continue to display with no power source)
● Low power consumption, basically power is only required for refreshing
1) Good Display 31.2 inch large e ink display Parallel 7-color e-ink panel with 16 Gray level * 1pc
|
PART NUMBER |
GDEP312TT2-C |
||
|
SIZE |
31.2 inch |
OPERATING TEMP. | 0℃~50℃ |
|
TYPE |
Dot Matrix |
STORAGE TEMP. | -25℃~70℃ |
|
RESOLUTION |
1280x720 |
MAX GRAYSCALE | 16 |
|
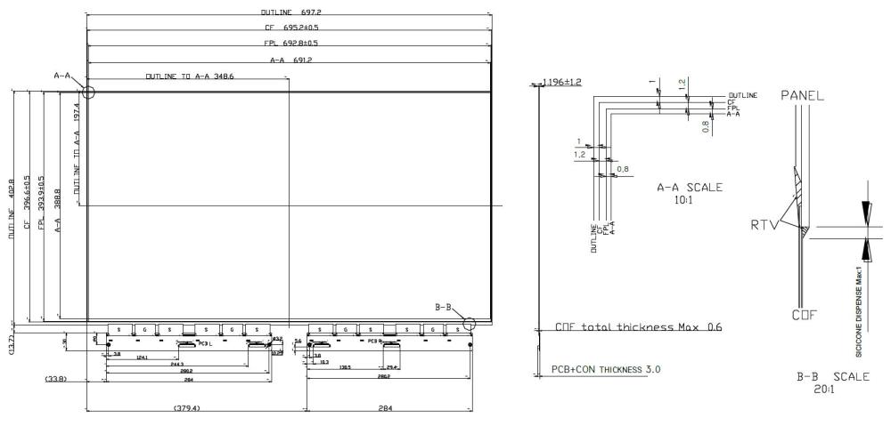
OUTLINE SIZE(mm) |
697.2x402.8x1.35 |
COLOR | 4096 |
|
ACTIVE SIZE(mm) |
691.2x388.8 |
INTERFACE | Parallel |
|
PIXEL PITCH(mm) |
0.54x0.54 |
||
